Обманка на лямбда-зонд своими руками
Количество автомобилей на планете с каждым днем увеличивается. Пропорционально возрастает и объем вредных веществ, выбрасываемых ими в атмосферу. Современные требования к экологичности автомобилей обязывают их производителей находить решения для снижения уровня токсичности выбросов.
Одним из таких технологических решений является усовершенствование системы отвода отработанных газов за счет использования в ней катализатора (каталитического нейтрализатора) – устройства, предназначенного для нейтрализации вредных соединений, содержащихся в автомобильных выхлопах. Однако при выходе из строя этого узла наши автовладельцы порой приходят в "дикий восторг", узнав, во сколько обойдется его замена. Вот тогда и приходит на помощь смекалка отечественных автомехаников. Они уже давно придумали альтернативу дорогому катализатору. Конечно, это не совсем экологично, но дешево.

В этой статье мы рассмотрим, что представляет собой обманка на лямбда-зонд, какие разновидности ее бывают, а также как самому сделать подобное устройство. Но прежде давайте разберемся, как устроен каталитический нейтрализатор и по какому принципу он работает.
Катализатор
Катализатор состоит из корпуса и блок-носителя – системы металлических или керамических решеток. На решетках имеется тонкий слой из специальных химических веществ, которые, вступая в реакцию с вредными соединениями, содержащимися в выхлопах, нейтрализуют их, превращая отработанные газы в водяной пар, угарный и углекислый газ. В роли таких веществ чаще всего выступают платина, родий и палладий. Это, собственно, и объясняет, почему каталитический нейтрализатор так дорого стоит.

Катализатор является вторым элементом выхлопной системы после приемной трубы, которая отводит газы из выпускного коллектора двигателя. Дополнительной его задачей является охлаждение выхлопов и гашение горящих паров топлива, вырывающихся из цилиндров. Кстати, за счет высокой температуры в катализаторе происходит дожигание выхлопных газов. Подачу кислорода, необходимого для этого, регулирует контроллер автомобиля, получая информацию о его концентрации с кислородных датчиков.
Датчики кислорода
Датчик кислорода (лямбда-зонд) – устройство, предназначенное для определения количества кислорода в выхлопных газах. Его показания принимаются в учет электронным блоком управления при расчете пропорционального соотношения топлива и воздуха в горючей смеси.
Большинство современных автомобилей укомплектованы двумя лямбда-зондами. Первый датчик обычно устанавливается на приемной трубе или в передней части катализатора. Именно он отвечает за коррекцию топливной смеси. Второй же лямбда-зонд монтируется за катализатором и контролирует его работу. Если вдруг каталитический нейтрализатор вышел из строя и утратил способность очищать выхлоп, датчик отправляет на ЭБУ аварийный сигнал.

Признаки неисправности катализатора
Признаками того, что катализатор вышел из строя, являются:
- появление на щитке приборов горящего значка «Чек Энджин», сообщающего об ошибке в работе двигателя;
- заметное снижение динамических характеристик автомобиля;
- нестабильная работа двигателя;
- изменение звука работающего мотора;
- увеличенный расход топлива.
Почему катализатор выходит из строя
Катализатор, как и любое другое устройство, имеет свой ресурс.
Если ваш автомобиль прошел больше 200 тыс. км без его замены, а тут он сломался – это естественно. Но если машина относительно новая, а катализатор приказал долго жить, это может быть следствием:
- использования некачественного топлива;
- нарушениями в работе системы зажигания;
- неправильно сформированной воздушно-топливной смеси;
- механического повреждения устройства.

Способы устранения неисправности
Если вы диагностировали неисправность катализатора, есть два способа ее устранить: купить и установить новый каталитический нейтрализатор, что будет более правильно, но дорого, или же попытаться обмануть контроллер автомобиля, что не совсем правильно, но дешево. Второй способ подразумевает эмуляцию катализатора, которую можно осуществить путем:
- перепрошивки электронного блока управления;
- установкой на место второго датчика механической обманки;
- внесение изменений в электронную схему подключения второго датчика к ЭБУ.
Все три варианта рабочие. Какой из них выбрать – решать, конечно, вам.
Перепрошивка ЭБУ
Этот способ достаточно действенный и заключается в том, чтобы подключить к контроллеру компьютер и внести соответствующие изменения в его программное обеспечение. В результате такой нехитрой операции ЭБУ не будет ссылаться на показания датчика, считая катализатор полностью рабочим. Но подобные манипуляции с программным обеспечением могут закончиться тотальным сбоем, поэтому этот вид работ лучше доверить специалистам.
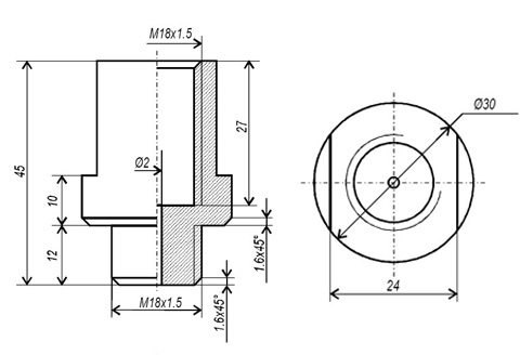
Механическая обманка
Механическая обманка на лямбда-зонд – самый популярный способ устранения проблем с катализатором, и довольно простой. Его суть заключается в том, чтобы ввести в заблуждение не электронный блок управления, а сам кислородный датчик (лямбда-зонд). Обманка ограничивает поступление выхлопных газов к его рабочему элементу. Соответственно, концентрация кислорода при этом увеличивается.

Достигается это путем установки между катализатором и датчиком специальной проставки (обманки). Второй лямбда-зонд при этом выносится дальше от катализатора. Что это дает? Обманка на лямбда-зонд имеет узкое центральное отверстие (около 2 мм), проходя через которое, выхлопные газы теряют концентрацию. Датчик, отодвинутый от катализатора, анализирует количество кислорода в выхлопе и, «принимая все за чистую монету», сигнализирует контроллеру, что здесь все в полном порядке.
Как изготавливается механическая обманка лямбда-зонда своими руками?
Купить описанное устройство сегодня можно в любом автомагазине или на рынке. Но для человека, имеющего навыки в токарном деле, сделать его – пара пустяков. Механическая обманка на лямбда-зонд изготавливается из бронзы или теплостойкой стали. Достаточно выточить цилиндрическую болванку, просверлить в ней отверстие и нарезать соответствующую резьбу: для вкручивания устройства в корпус катализатора и вкручивания в него датчика. Примечательно, что они универсальны, т. е. обманка лямбда-зонда «Опель», например, ничем не отличается от обманки «Ауди» или ВАЗ.
Монтаж устройства также не отличается особой сложностью. Необходимо лишь выкрутить датчик кислорода, вкрутить в отверстие втулку, а в нее – лямбда-зонд.

Электронный вариант
Теперь расскажем о том, как изготавливается электронная обманка лямбда-зонда своими руками. Тем, кто дружит с паяльником и отличает конденсатор от резистора, не составит труда эмулировать рабочий катализатор электронным методом. Принципиальная схема обманки лямбда-зонда очень проста. Она включает лишь две упомянутые радиодетали: неполярный конденсатор на 1 мкФ и резистор на 1 МОм. Кроме этого, нам понадобится паяльник, канифоль, припой и нож.
Для начала нужно найти разъем на проводах, идущих от второго датчика к контроллеру. Он может находиться в тоннеле между передними сидениями, в моторном отсеке или под панелью приборов, в зависимости от марки и модели автомобиля. Имейте в виду, что электронная обманка второго лямбда-зонда устанавливается перед разъемом, со стороны датчика.
Обычно датчик соединяется с ЭБУ четырьмя проводами: синим, белым и двумя черными. Последние мы не трогаем. Синий провод разрезаем, зачищаем от изоляции и впаиваем в разрыв резистор на 1 МОм. К его концу, со стороны контроллера, припаиваем один из выводов конденсатора (неважно какой, он неполярный). Второй вывод припаиваем к белому проводу.
По окончании работ и проверки работоспособности эмулятора все его детали лучше залить эпоксидной смолой, чтобы избежать замыкания или повреждения.

Что делать с катализатором
Даже если вы избавились от постоянного горящей «ошибки», перерасхода топлива и нестабильности в работе двигателя благодаря эмуляции катализатора, не забывайте, что оставлять его в таком состоянии нельзя. Оплавленный или забитый каталитический нейтрализатор обязательно будет мешать отводу отработанных газов, создавая им серьезное сопротивление. Это, естественно, скажется на работе двигателя.
Что же делать? Здесь есть два решения: снять катализатор, удалить (выбить) из него блок-носитель и установить обратно, или же приобрести и поставить на его место стронгер (пламегаситель). В первом случае вы не потратите ни копейки, но звук работающего двигателя существенно усилится. Если же поставить пламегаситель, звук усилится незначительно, а его конструкция дополнительно позволит охладить выхлопные газы, прежде чем они попадут в глушитель.
Похожие статьи
- Лямбда-зонд - обманка. Электронные и механические обманки
- Широкополосный датчик кислорода: устройство, принцип работы, неисправности. Широкополосный лямбда-зонд
- Вибрация в салоне на холостом ходу: причины неисправности
- Что такое эмуляторы для ПК?
- Роговая обманка: происхождение, свойства и применение минерала
- Зонд Блэкмора. Остановка пищеводного кровотечения с помощью зонда Блэкмора.
- Каталитический нейтрализатор. Принцип работы, характеристики
